Паспортная табличка EST из нержавеющей стали
-
Коррозионно-стойкие таблички из нержавеющей стали V4A для использования в качестве паспортных табличек. Крепление осуществляется с помощью заклепок или винтов.
Маркировка возможна только с помощью лазерной маркировочной системы (например, mp-LM*, pulsar) или гравировальной системы, подходящей для гравировки нержавеющей стали (например, CAM).
Предназначены специально для использования в сложных условиях, как, например, в
Химическая и нефтехимическая промышленность
горнодобывающей промышленности;
судостроении;
ветровых установках;
пищевой промышленности.
* Максимальный размер маркировки для серии mp-LM = 120 x 120 мм.
Блок вытяжки и фильтрации является обязательным условием для соблюдения правовых норм в области охраны здоровья. Блок вытяжки и фильтрации является обязательным условием для соблюдения правовых норм в области охраны здоровья при лазерной резке.
Варианты
| Название | GTIN | Артикул |
|---|---|---|
| EST 30×30 R5, 1×4,0MM: Матовая нержавеющая сталь | 4045005191465 | 8605148007 |
| EST 52×26 R3, 2×2,5MM: Матовая нержавеющая сталь | 4045005226037 | 8605148006 |
| EST 74×37 R3, 4×2,5MM: Матовая нержавеющая сталь | 4045005159137 | 8605148005 |
| EST 84×54 R3, 4×2,5MM: Матовая нержавеющая сталь | 4045005261045 | 8605148004 |
| EST 85×55 R3, 4×2,5MM: Матовая нержавеющая сталь | 4045005324023 | 8605148008 |
| EST 100×60 R5, 4×3,7MM: Матовая нержавеющая сталь | 4045005260956 | 8605148003 |
| EST 120×70 R5, 4×3,7MM: Матовая нержавеющая сталь | 4045005229076 | 8605148002 |
| EST 139×85 R5, 4×3,7MM: Матовая нержавеющая сталь | 4045005223296 | 8605148001 |
| EST 139×139 R5, 4×3,7MM: Матовая нержавеющая сталь | 4045005272010 | 8605148000 |
Одиночный маркировочный щиток из нержавеющей стали
| Вид изделий | Цвет | GTIN | Кол-во | Мин. заказ |
|---|---|---|---|---|
| EST 30×30 R5, 1×4,0MM | Матовая нержавеющая сталь | 4045005191465 | 90 | 90 |
| EST 52×26 R3, 2×2,5MM | Матовая нержавеющая сталь | 4045005226037 | 40 | 40 |
| EST 74×37 R3, 4×2,5MM | Матовая нержавеющая сталь | 4045005159137 | 20 | 20 |
| EST 84×54 R3, 4×2,5MM | Матовая нержавеющая сталь | 4045005261045 | 10 | 10 |
| EST 85×55 R3, 4×2,5MM | Матовая нержавеющая сталь | 4045005324023 | 10 | 10 |
| EST 100×60 R5, 4×3,7MM | Матовая нержавеющая сталь | 4045005260956 | 10 | 10 |
| EST 120×70 R5, 4×3,7MM | Матовая нержавеющая сталь | 4045005229076 | 10 | 10 |
| EST 139×85 R5, 4×3,7MM | Матовая нержавеющая сталь | 4045005223296 | 10 | 10 |
| EST 139×139 R5, 4×3,7MM | Матовая нержавеющая сталь | 4045005272010 | 10 | 10 |
Дополнительные детали
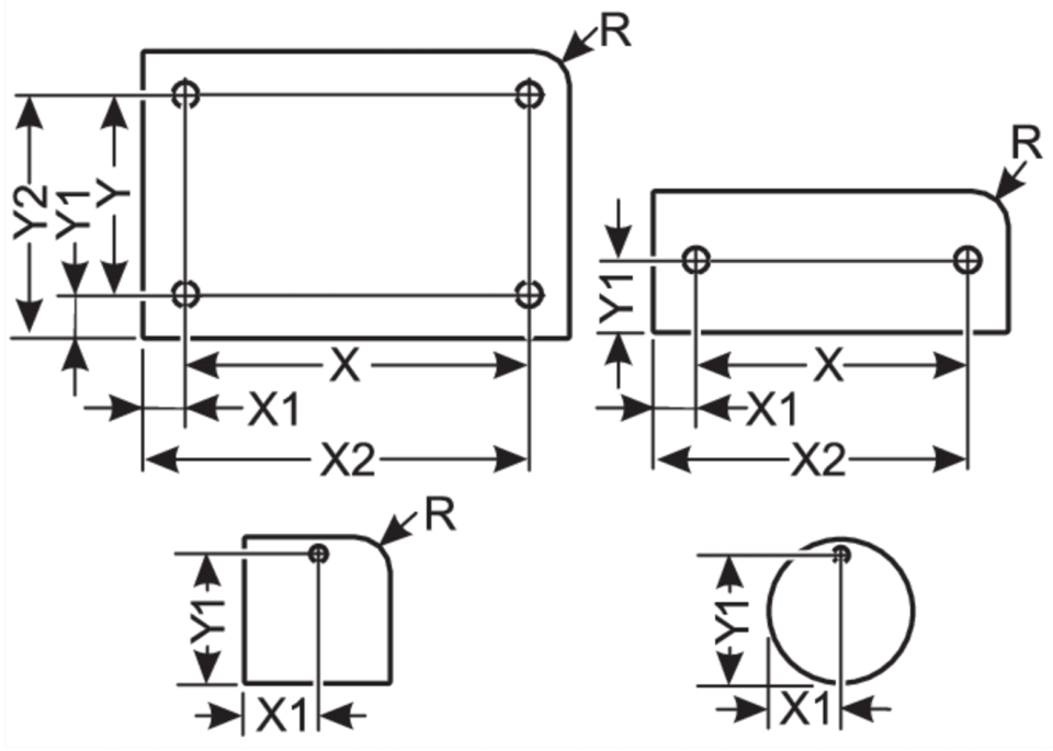
| Вид изделий | Номер для заказа | Цвет | Толщина материала мм | Поверхность печати мм | Конфигурация отверстий Количество x Ø мм | Программное обеспечение Вид изделий | Кол. шт. | ||
|---|---|---|---|---|---|---|---|---|---|
|
Одиночный маркировочный щиток из нержавеющей стали
|
|||||||||
|
EST 30×30 R5, 1×4,0MM |
8605148007 |
Матовая нержавеющая сталь |
1 |
30×22 |
1 x 4,0 |
A62 |
90 |
||
|
EST 52×26 R3, 2×2,5MM |
8605148006 |
Матовая нержавеющая сталь |
1 |
37×26 |
2 x 2,5 |
L16 |
40 |
||
|
EST 74×37 R3, 4×2,5MM |
8605148005 |
Матовая нержавеющая сталь |
1 |
59×37 |
4 x 2,5 |
L15 |
20 |
||
|
EST 84×54 R3, 4×2,5MM |
8605148004 |
Матовая нержавеющая сталь |
1 |
69×54 |
4 x 2,5 |
L14 |
10 |
||
|
EST 85×55 R3, 4×2,5MM |
8605148008 |
Матовая нержавеющая сталь |
1 |
74×55 |
4 x 2,5 |
L18 |
10 |
||
|
EST 100×60 R5, 4×3,7MM |
8605148003 |
Матовая нержавеющая сталь |
1 |
82.5×60 |
4 x 3,7 |
L13 |
10 |
||
|
EST 120×70 R5, 4×3,7MM |
8605148002 |
Матовая нержавеющая сталь |
1 |
102.5×70 |
4 x 3,7 |
L12 |
10 |
||
|
EST 139×85 R5, 4×3,7MM |
8605148001 |
Матовая нержавеющая сталь |
1 |
121.5×85 |
4 x 3,7 |
L11 |
10 |
||
|
EST 139×139 R5, 4×3,7MM |
8605148000 |
Матовая нержавеющая сталь |
1 |
121.5×139 |
4 x 3,7 |
L10 |
10 |
||