Настольная вытяжка, рукав FX2 100 ESD/EX
-
Лучшее и наиболее экономичное решение для извлечения опасных загрязняющих веществ из воздуха в тех случаях, когда требуется небольшое, адаптивное и простое в использовании устройство.
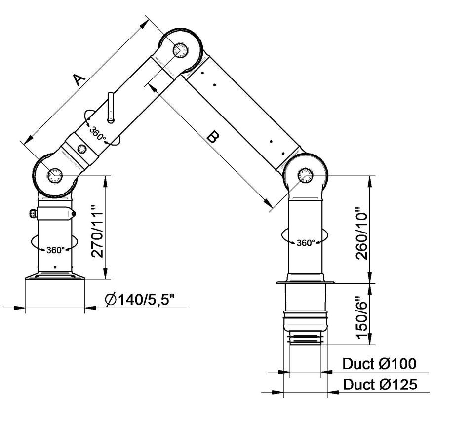
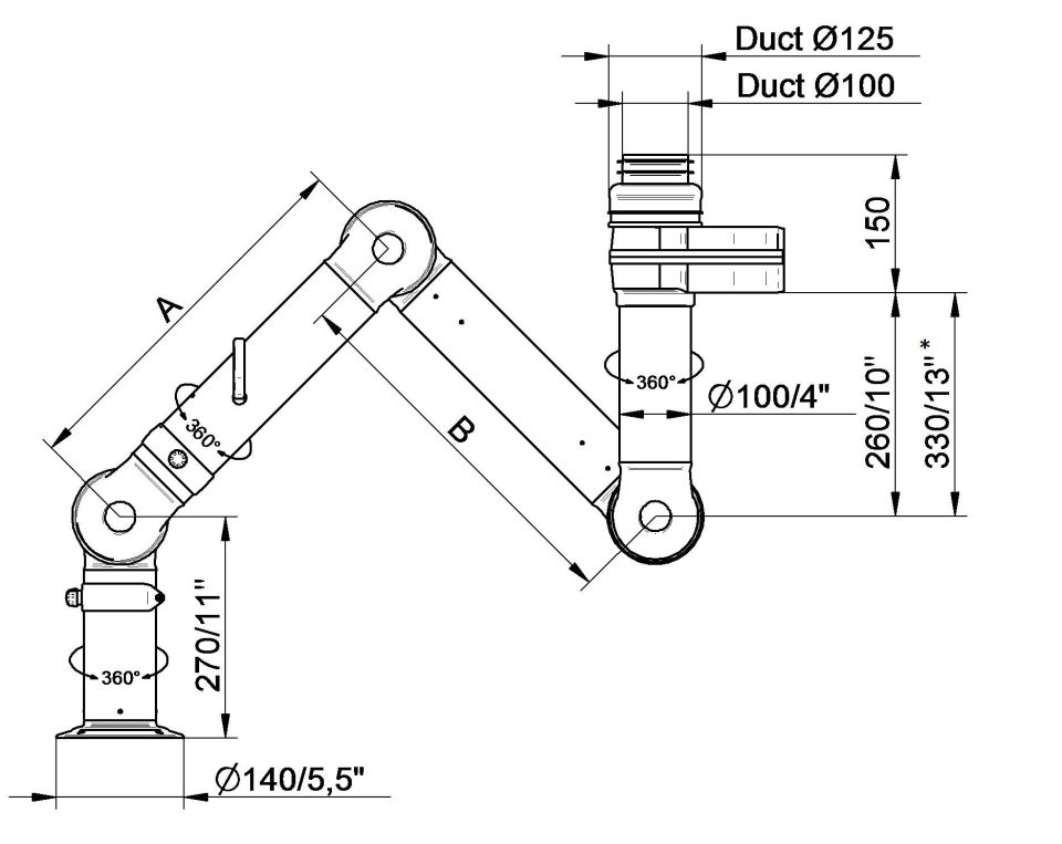
Вытяжные рукава Nederman FX2 изготовлены из легких анодированных алюминиевых секций с двумя или тремя регулируемыми композитными фрикционными соединениями. Предлагая прочность и долговечность в сочетании с простотой в обращении, они могут использоваться во многих типах окружающей среды. Они особенно подходят там, где требуется небольшое, гибкое и простое в использовании устройство.
Этот рукав предназначен для применения в электронной промышленности где сущетвует риск электростатических разрядов. Рукав ESD/EX может быть также использованв в некоторых условиях для потенциально взрывоопасной атмосферы. Рекомендовано для применения в зонах 1, 2 и 21, 22.
- Оптимальная эффективность и низкий уровень шума обеспечивают безопасную и спокойную рабочую среду
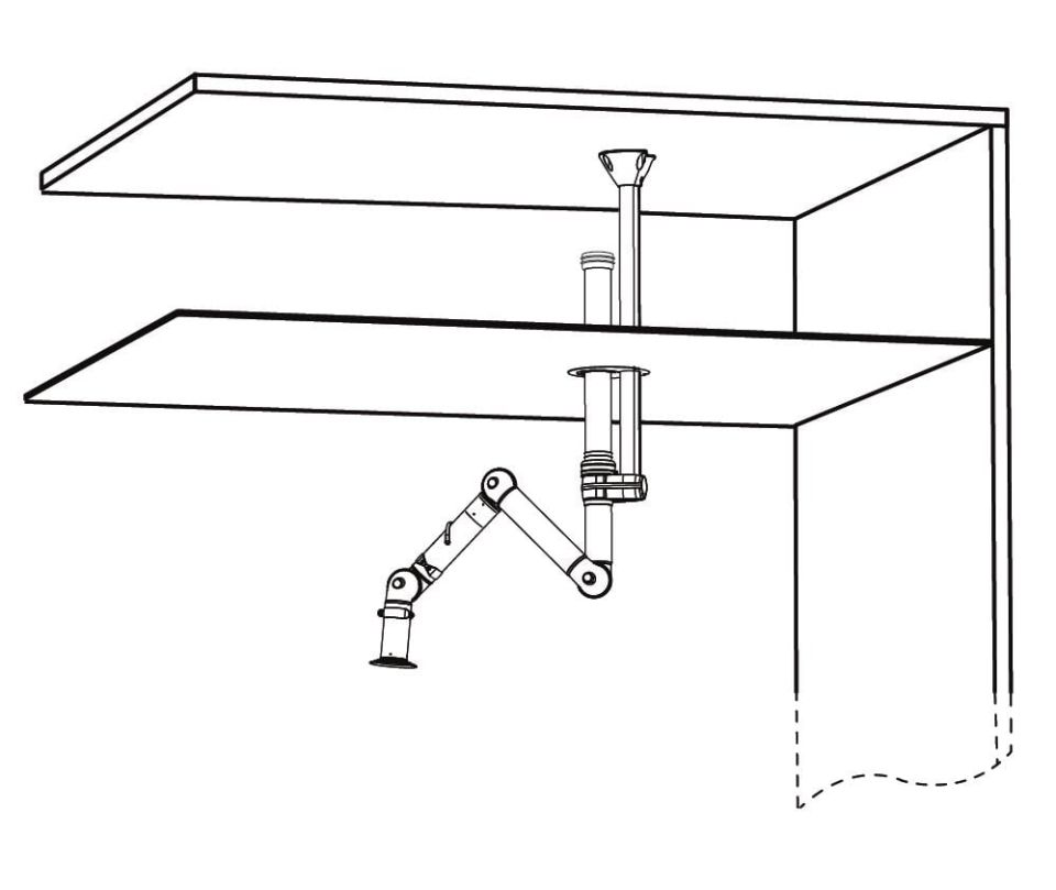
- Крепление к потолку, стене, полу или к рабочей поверхности стола с помощью удлинительного профиля, который можно обрезать по месту, обеспечивает максимальную гибкость в монтаже.
- Два наружных сустава могут вращаться и поворачиваться на 360 °, что дает уникальную маневренность
- Плоский, гладкий и эстетичный дизайн позволяет кронштейну хорошо вписываться в любую среду, не ставя под угрозу его прочность и надежность
- Высоко интегрированные продукты, которые экономят время и затраты клиентов, а также обеспечивают надежность и функциональность для повышения производительности
| Сертификация | ESD, CE, EX |
| Уровень шума (дБ(А)) | 62 дБ (А) при 450 м3 / ч |
| Установка | Снаружи помещения |
| Материал | «Трубы из анодированного алюминия. Соединения в ПП-пластике. Канальные соединители из резины EPDM. Миниатюра в ПП-пластике ». |
| Температура дыма | max 70°C |
| Диаметр вытяжного рукава (мм) | 100 |
| Воздушный поток (м³/час) | 200 — 450 |