Негізгі мазмұнға өту
Ең жақсысын біріктіріп, оны сенімдіге айналдырамыз!

010000, ҚР, Астана қ.,
ст. Дінмұхамеда Қонаев 33,
кеңсе 1003
Картадағы белгі

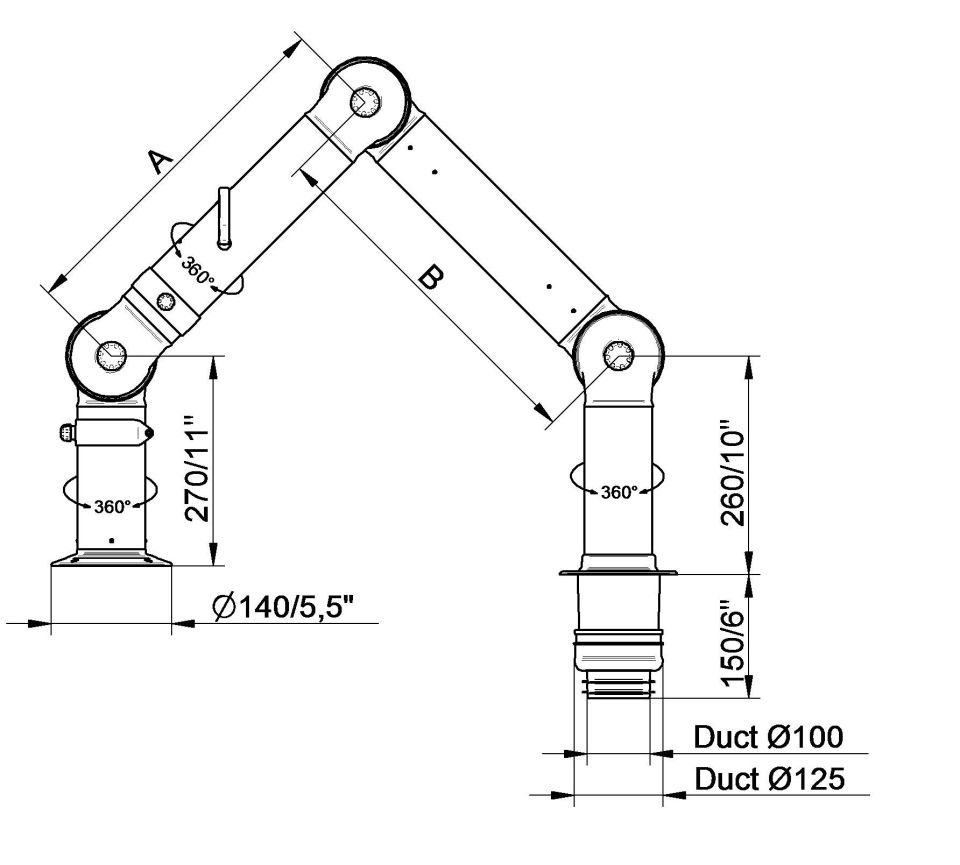
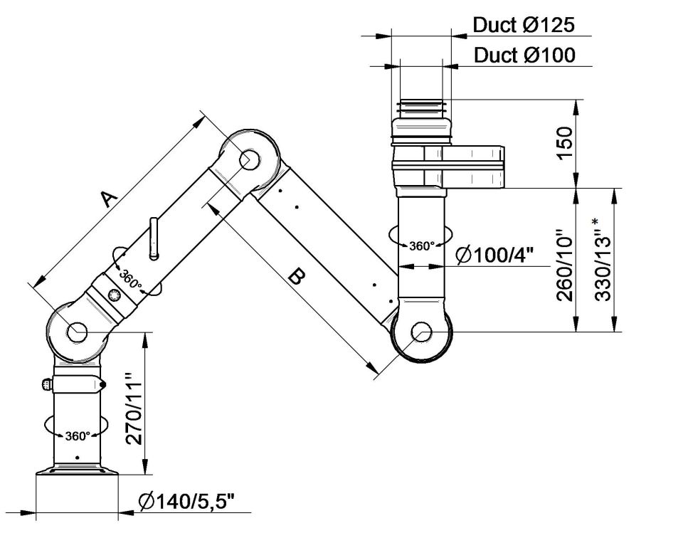
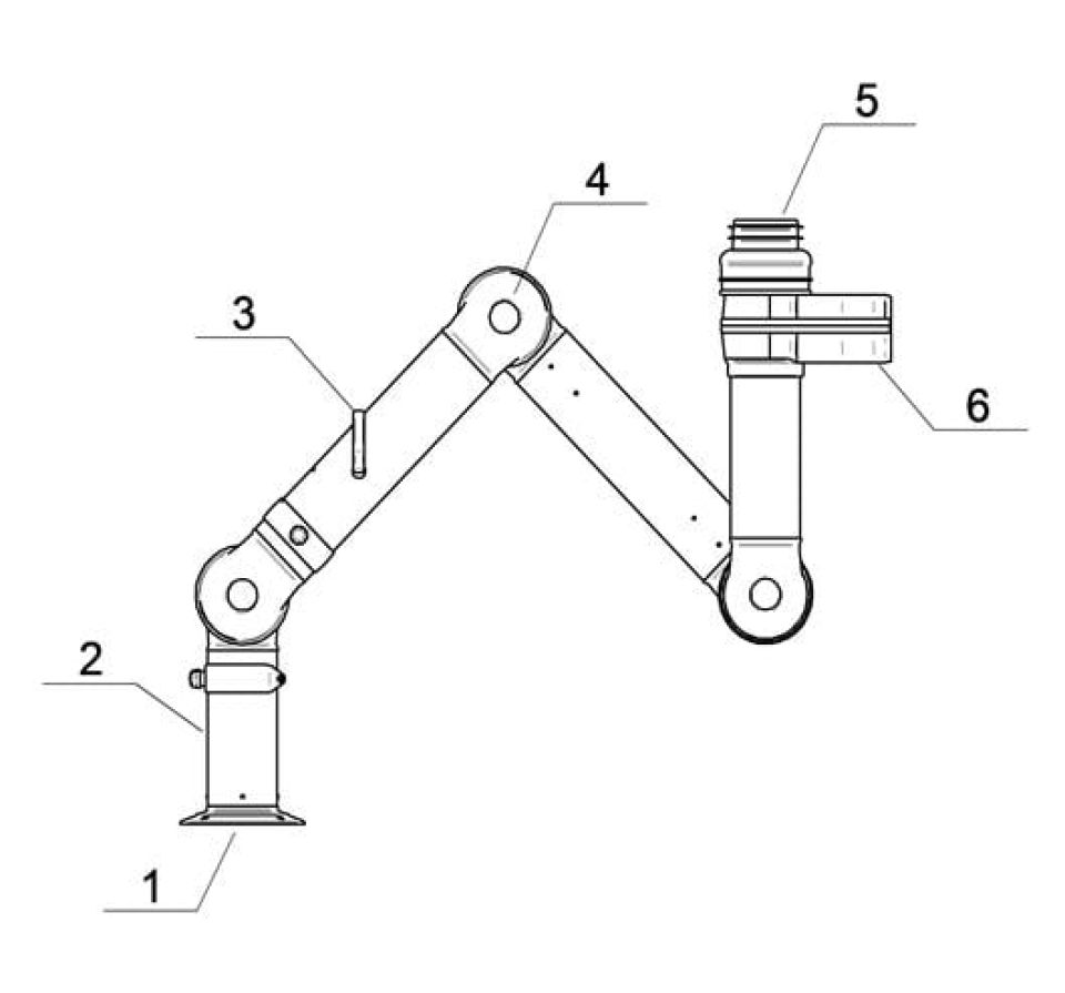
Үстел үсті қалпақ, жең FX2 100 ESD/EX

Nederman FX2 экстракциялық тұтқалары екі немесе үш реттелетін композиттік үйкеліс қосылыстары бар жеңіл анодталған алюминий бөліктерінен жасалған. Қолдану оңайлығымен үйлесетін беріктік пен беріктікті ұсына отырып, олар кең ауқымды ортада қолдануға жарамды. Олар әсіресе шағын, икемді және пайдалану оңай құрылғыны қажет ететін қолданбалар үшін қолайлы.
Бұл гильза электростатикалық разряд қаупі бар электроника өнеркәсібінде пайдалануға арналған. ESD/EX жеңін кейбір жарылу қаупі бар орталарда да пайдалануға болады. 1, 2, 21 және 22 аймақтарында пайдалануға ұсынылады.

  • Оңтайлы тиімділік пен төмен шу деңгейлері қауіпсіз және тыныш жұмыс ортасын қамтамасыз етеді
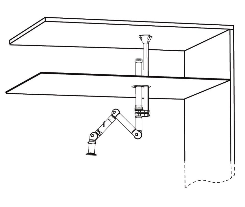
  • Төбеге, қабырғаға, еденге немесе жұмыс бетіне сайтта өлшемі бойынша кесуге болатын ұзартқыш профилі бар орнату орнатудың максималды икемділігін қамтамасыз етеді.
  • Екі сыртқы түйіспе 360° бұрылып, айнала алады, бұл бірегей маневрлікті қамтамасыз етеді
  • Тегіс, тегіс және эстетикалық тартымды дизайн кронштейнге оның беріктігі мен сенімділігіне нұқсан келтірместен кез келген ортаға жақсы сәйкес келуге мүмкіндік береді.
  • Өнімділікті арттыру үшін сенімділік пен функционалдылықты қамтамасыз ете отырып, тұтынушылардың уақыты мен шығындарын үнемдейтін жоғары интеграцияланған өнімдер.
Техникалық деректер
Сертификаттау ESD, CE, EX
Шу деңгейі (дБ(А)) 62 дБ(А) 450 м3/сағ
Орнату Үй-жайдан тыс
Материал «Анодталған алюминий құбырлары.
PP пластиктен жасалған қосылыстар.
EPDM резеңке арна қосқыштары.
PP пластиктен жасалған миниатюра.
Түтін температурасы максимум 70°C
Шығару жеңінің диаметрі (мм) 100
Ауа ағыны (м³/сағ) 200 — 450