PAK-M взрывозащищенный
-             Compact and power saving high vacuum unit with several options suitable for organic- or metal combustible dust. For 1-5 users. 
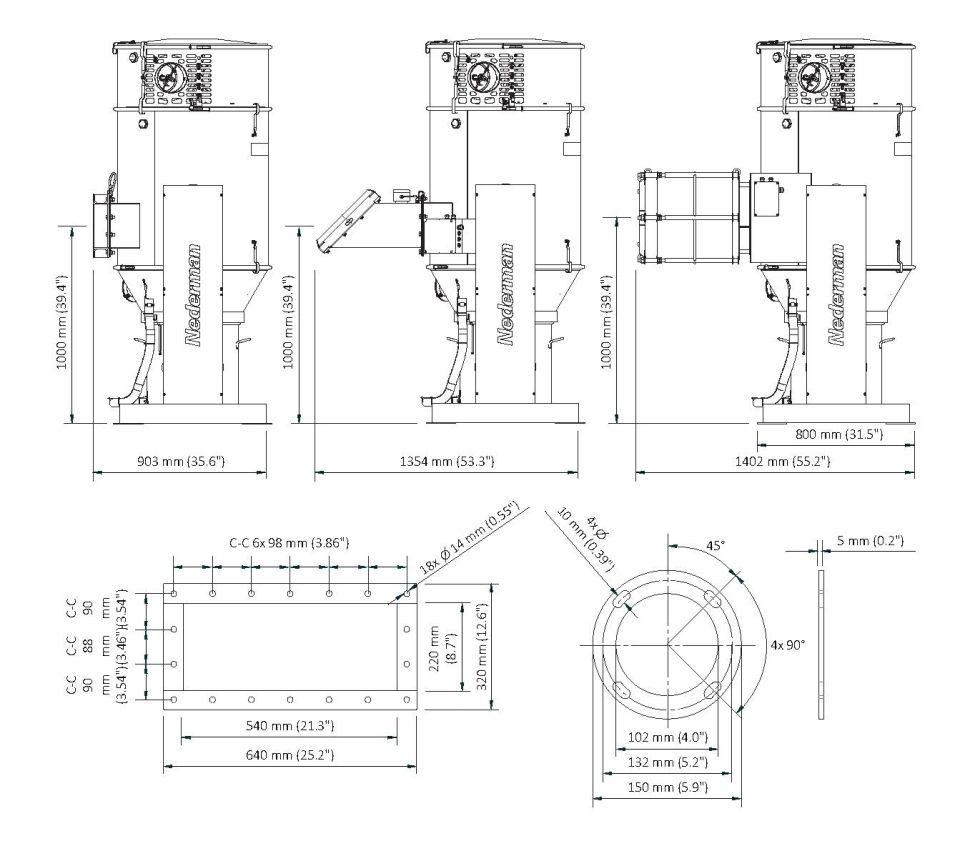
The PAK-M DX is a frequency controlled high vacuum dust collector unit. It is designed for extraction of combustible dust from grinding or sanding (incl. on-tool extraction) as well as granulate, grit or swarf. PAK-M DX is also suitable for cleaning the workplace, shop floor or extraction directly from a production line. Typical areas of application can be found in construction or manufacturing industries, bakeries etc., generally serving up from 1 up to 5 simultaneous extraction points. There are two main versions available; PAK-M DX, equipped with a relief panel for release of the explosion pressure and flame or PAK-M DX equipped with a flameless venting system that could be used indoors with variants suited for organic or metallic dust respectively.
PAK-M DX controls the speed of the motor automatically using a VFD (Variable Frequency Drive) and dP-sensor to maintain a constant vacuum, selected by the user on the control panel — ideal for on-tool extraction but also ensuring minimum power consumption — saving typically 50% energy or more in comparison to units without a VFD. The PAK-M DX can also be set to generate as much vacuum as possible for applications with long piping, material transportation or cleaning. Automatic vacuum valves offer further energy savings by controlling the PAK-M DX to only provide suction when an operation is ongoing but can also be used to increase the number of working points if not all are used simultaneously.
The PAK-M DX is controlled by the VFD as standard but can be upgraded with a separate PLC for enhanced control- and sensor capabilities. The PAK-M DX is developed to fit into normally noise sensitive premises thanks to efficient silencers, acoustic enclosure and using the VFD to run at the lowest possible speed to needed to maintain the desired suction.
The PAK-M DX is offered with two filter options; an Antistatic Polyester filter with a Class M control filter or a high-efficiency PTFE filter with a H14 control filter for increased cleaning efficiency and longer filter life in more demanding applications. Running the cleaning cycle opens the filter cleaning valve and a powerful blast of reversed airflow is created, efficiently dislodging dust from the filter bags. Filter cleaning is initiated based on how much dust is loaded into the filter (on-demand, dP-controlled) or alternatively, timer based, ensuring minimum total number of cleaning cycles and thereby increasing filter life.
The vacuum unit, VAC-M is also sold separately for combination another dust separator than standard.
- Low operating costs with energy saving VFD to maintain the desired vacuum level and 6 000 hours of filter life in most typical applications.
- Low installation costs — unit complete with VFD as starter, control unit and for adjusting the desired vacuum level — no set-up is needed.
- Efficient, dP-controlled or timer-based filter cleaning minimises number of cleaning cycles and gives longer filter life.
- Low noise level with fan mounted in acoustic enclosure.
- Designed for ATEX applications and built in safety functions including emergency stop, monitored control filter detecting main filter failure and monitored relief/venting system that vents an explosion to a safe area and stops the unit.
| Сертификаттау | CE, EX | 
| Шу деңгейі (дБ(А)) | 70 | 
| Класс защиты | IP54 (Dust separator IP65) | 
| Қысылған ауаны тұтыну | 700 N-Litres/min (25 cfm) | 
| Орнату | Үй-жайдан тыс | 
| Жарылғыш шаңға жарамды | Иә | 
| Сүзгіні тазалау әдісі | Продувка обратным потоком воздуха | 
| Повторная переработка материалов (%) | 96 weight-% | 
| Қолданба | грит, пыль, стружка, гранулят | 
| Шаң контейнерінің сыйымдылығы (л) | 70 | 
| Сүзгі ауданы (м²) | 3.0 | 
| Кернеу (V) | 380-480 | 
| Жиілік (Гц) | 50/60 | 
| Сүзгі түрі | Рукавный фильтр | 
| Сүзгі элементтерінің саны | 24 | 
| Сығылған ауаға қажеттілік | 6 — 10 bar (87 — 145 PSI) | 
| Capacity (max airflow m3/h) | 545 m3/h @ 15kPa, 475 m3/h @20kPa | 
| Максималды вакуум (кПа) | 21 | 
| Inlet | 100 mm | 
| Салмағы (кг) | 378-393 | 
| Outlet | 100 mm | 
| Қуат (кВт) | 7,5 kW @50 Hz, 9 kW @60 Hz | 
 
 
 
 
 
 
 
 
 
