Роторные клапаны NRS 3
-             Непрерывное опорожнение бункера пылесборника 
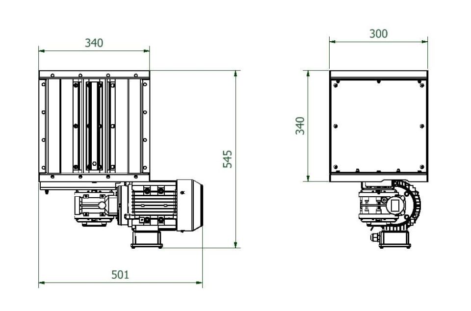
Роторный клапан NRS3
Роторный клапан типа NRS3 используется для непрерывного опорожнения материала из пылесборника.
Роторный клапан может использоваться для разгрузки нескольких нелипких материалов. Максимальный размер частиц для NRS3 составляет 3 x 3 x 10 мм (1,1 x 1,1 x 0,4 дюйма)
Роторные клапаны размером 10, 20 и 30
Роторный клапан типа NRS используется для передачи материала между двумя отдельными системами. В системах пневматической транспортировки, как правило, требуется отделять фильтр или циклон от силоса при атмосферном давлении. Это идеальное применение для клапана типа NRS.
Роторный клапан может использоваться для большинства типов материалов, хотя размер частиц не должен превышать 13 x 13 x 13 мм (0,5 × 5 × 5 дюймов)
- Robust construction
- Effective air lock between the inlet and outlet provided due to the special rubber blades.
| Сертификаттау | CE | 
| Шу деңгейі (дБ(А)) | < 70 | 
| Орнату | Сыртта, Ішкі | 
| Материал | Тяжелая стальная плита | 
| Жарылғыш шаңға жарамды | No | 
| Қолданба | пыль | 
| Жұмыс температурасы | От -20 до 40 ° С. | 
 
 
 
