Настольная вытяжка, рукав FX2 100 Оригинал
-             Лучшее и наиболее экономичное решение для извлечения опасных загрязняющих веществ из воздуха в тех случаях, когда требуется небольшое, адаптивное и простое в использовании устройство. 
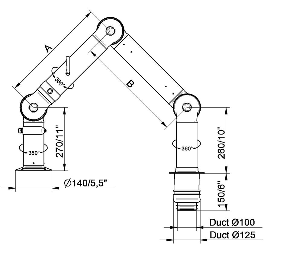
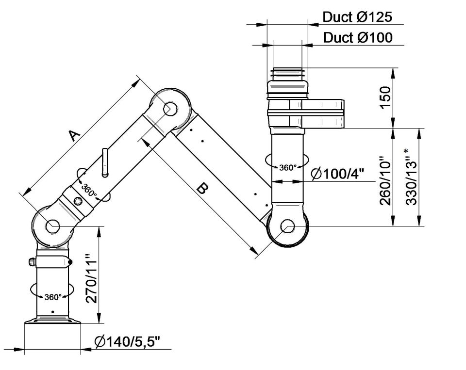
Вытяжные рукава Nederman FX2 изготовлены из легких анодированных алюминиевых секций с двумя или тремя регулируемыми композитными фрикционными соединениями. Предлагая прочность и долговечность в сочетании с простотой в обращении, они могут использоваться во многих типах окружающей среды. Они особенно подходят там, где требуется небольшое, гибкое и простое в использовании устройство.
Прочная и надежная универсальный рукав для различных услловий применения, где существует небольшой риск электрических разрядов или появления агрессивных химических веществ. «
- Оптимальная эффективность и низкий уровень шума обеспечивают безопасную и спокойную рабочую среду
- Крепление к потолку, стене, полу или к рабочей поверхности стола с помощью удлинительного профиля, который можно обрезать по месту, обеспечивает максимальную гибкость в монтаже.
- Два наружных сустава могут вращаться и поворачиваться на 360 °, что дает уникальную маневренность
- Плоский, гладкий и эстетичный дизайн позволяет кронштейну хорошо вписываться в любую среду, не ставя под угрозу его прочность и надежность
- Высоко интегрированные продукты, которые экономят время и затраты клиентов, а также обеспечивают надежность и функциональность для повышения производительности
| Сертификаттау | CE | 
| Шу деңгейі (дБ(А)) | 62 дБ (А) при 450 м3 / ч | 
| Орнату | Үй-жайдан тыс | 
| Материал | «Трубы из анодированного алюминия. Соединения в ПП-пластике. Канальные соединители из резины EPDM. Миниатюра в ПП-пластике ». | 
| Температура дыма | max 70°C | 
| Диаметр вытяжного рукава (мм) | 100 | 
| Воздушный поток (м³/час) | 200-450 | 
| Түс | Aluminum and white | 
 
 
 
 
 
 
 
 
 
 
 
